12+ Dashboard Instrument Cluster Diagram


Low Satellite Fix Count On Smart Controller Dji Forum


Block Diagram For Instrument Cluster Download Scientific Diagram


Cannot Establish Connection To Fem Rem Ddm Epm Page 3 Jaguar Forums Jaguar Enthusiasts Forum


Instrument Panel Cluster Connector Wiring Diagram Or Pinout Needed


Which Under Dash Fuse Gives 12v Constant Honda Civic Forum


How To Diagnose And Understand Diagrams Instrument Cluster Panel Board Under Dash Please Subscribe Youtube


Cannot Establish Connection To Fem Rem Ddm Epm Page 3 Jaguar Forums Jaguar Enthusiasts Forum


Enduroframe Enduroframe Building System


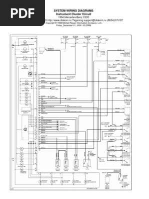
System Wiring Diagrams Instrument Cluster Circuit Pdf


Instrument Cluster Nissan Sentra 2010 System Wiring Diagrams Wiring Diagrams For Cars


Instrument Cluster Wiring Diagram Pinout Clublexus Lexus Forum Discussion


System Wiring Diagrams Instrument Cluster Circuit Pdf


Instrument Panel Cluster Connector Wiring Diagram Or Pinout Needed


Cryptocurrency Exchange White Label Platform


Hardware For Digital Instrument Clusters Librow Digital Lcd Dashboards For Cars And Boats


812 Superfast Usa Dashboard And Tunnel Instruments 0130


Gauges In Instrument Panel Stopped Working Jaguar Forums Jaguar Enthusiasts Forum


Instrument Cluster Wiring Diagram Needed All Of The Wires Are

Iklan Atas Artikel

Iklan Tengah Artikel 1

Iklan Tengah Artikel 2

Iklan Bawah Artikel